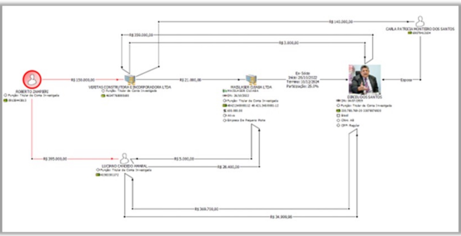
Diagramas incluído na decisão do corregedor nacional de Justiça, Mauro Campbell Marques, revelam uma rede de vínculos societários e movimentações financeiras que conectam o desembargador Dirceu dos Santos ao empresário Luciano Cândido Amaral, apontado como possível intermediário em um esquema de venda de decisões judiciais no Tribunal de Justiça de Mato Grosso.

O desembargador foi afastado do cargo na segunda-feira (2) por determinação do corregedor, por suspeitas de venda de sentenças e nepotismo cruzado.
O suposto esquema teve como ponto de partida o advogado Roberto Zampieri, morto em dezembro de 2023 em Cuiabá, cujas mensagens de celular revelaram transferências financeiras, sociedades empresariais e contatos que, segundo a investigação, aproximam o magistrado do empresário.
O ministro apontou que as mensagens extraídas do celular de Zampieri indicam que Luciano teria atuado como intermediário do desembargador em tratativas para obtenção de decisões judiciais mediante pagamento.
Na agenda do celular de Zampieri, Luciano aparecia com o apelido “Irmão Gêmeo – DD”, que os investigadores se traduz em “irmão gêmeo do Desembargador Dirceu”.
Na decisão, Mauro Campbell destacou que a análise de dados da Receita Federal e da Junta Comercial de Mato Grosso revelou vínculos empresariais diretos entre o magistrado e o empresário.
É que Dirceu dos Santos integrou o quadro societário da Maislaser Cuiabá Ltda entre outubro de 2022 e dezembro de 2024, ao lado de Luciano. Nesse mesmo período, segundo o documento, o empresário recebeu sucessivos depósitos feitos por Roberto Zampieri.
"Foram realizados sucessivos depósitos em montante elevado [...] por iniciativa do advogado Roberto Zampieri, sem causa negocial subjacente que os motivasse”, consta em trecho da decisão.
Construtora
As investigações ainda apontam que o empresário controla outras empresas que teriam sido utilizadas nas movimentações financeiras investigadas. Uma delas é a Veritas Construtora e Incorporadora Ltda, que, segundo a decisão, pode ter sido usada para dissimular valores.
“É razoável supor que as operações de débito feitas por Dirceu dos Santos com a empresa Veritas Construtora possa guardar relação com acertos decorrentes de aquisições imobiliárias intermediadas por Luciano Cândido Amaral, mascarando valores recebidos indevidamente”, escreveu Mauro Campbell.
O relatório da polícia aponta que, entre 2020 e 2023, Roberto Zampieri realizou transferências que somam aproximadamente R$ 600 mil para Luciano Amaral e empresas ligadas a ele. Além disso, uma transferência realizada pela construtora reforçou as suspeitas dos investigadores.
“A empresa Veritas Construtora e Incorporadora realizou ainda uma transferência de R$ 140.000,00 [...] para Carla Patrícia Monteiro dos Santos, esposa do desembargador Dirceu dos Santos”, aponta a decisão.
Para o corregedor, a movimentação financeira reforça os indícios de que o empresário atuaria como intermediário.
“Ratifica sobremaneira os indícios de recebimento de vantagem indevida por intermédio de Luciano Cândido Amaral e suas empresas”, disse.
Veja:


Entre no grupo do MidiaNews no WhatsApp e receba notícias em tempo real (CLIQUE AQUI).
|
0 Comentário(s).
|